Riadiaca jednotka HARVIA Xenio Infra CX36I
Riadiaca jednotka HARVIA Xenio Infra CX36I




Dostupnosť |
| Centrálny sklad | viac ako 5 ks |
| Externý sklad | 3 dni |
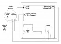
Riadiaca jednotka HARVIA Xenio CX36I s dotykovým displejom je určená pre ovládanie 1 - 8 infražiaričov HARVIA. Predstavuje najnovšiu technológiu v ovládaní nielen rodinných, ale aj komerčných infrasáun. Jej prevedenie je elegantné a minimalistické. Pomocou tejto modernej riadiacej jednotky je možné veľmi ľahko ovládať zapnutie/vypnutie infražiaričov, prevádzkovú dobu sauny, teplotu, alebo osvetlenie v infra saune.
Balenie obsahuje:
- ovládací displej (kontrolný panel) + 5 m dátový kábel k silovej jednotke
- silovú jednotku (board)
- teplotný snímač + 4 m silikónový prepojovací kábel
Podobné produkty
Saunová regulácia, riadiaca jednotka SENTIOTEC Infra IS1
Predaj ukončený: SET Saunová regulácia, riadiaca jednotka Professional D INFRA, čierna
Tento produkt je dostupný iba do vypredania skladových zásob, potom už nebude ďalej v predaji. Jeho predaj bol ukončený. Novo ho však nájdete pod kódom INFRA-M. (Kód skopírujte do vyhľadávania)
Set obsahuje riadiacu jednotku Pro D INFRA v čiernom prevedení s červeným podsvieteným displejom, ktorá je kompatibilná s fóliovými infražiaričmi a infražiaričmi s dvoma výstupmi 1500 W, maximálne do 3000 W. Súčasťou setu je základný riadiaci modul wave.com4 INFRA, ovládací panel riadiacej jednotky, pripojovací kábel s dĺžkou 2,5 m a konektor.





















































